Høy gjennomstrømningshastighet med pulsasjonsfri drift
Svært stillegående takket være 4-kammer membranteknologi og helgummierte antivibrasjonsføtter
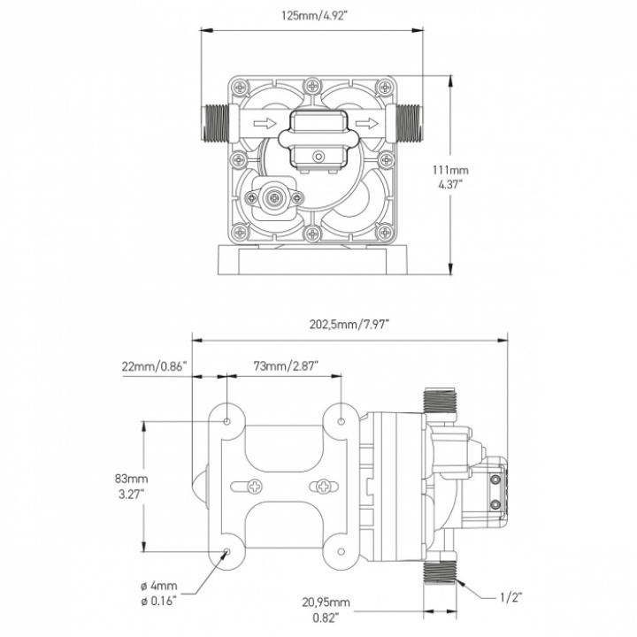
Gjennomstrømningshastighet på opptil 11,6 liter/min
Med justerbar bypass-kontroll
Justerbar trykkbryter (standardinnstilling: 2,4 bar)
Sikker å kjøre tørr
Selvansugende opp til en høyde på 4 m
Materiale egnet for drikkevann
Inkluderer forfilter av rustfritt stål og slangetilkoblinger
Kompatibel med UV-C LED-vannrensingsenhet og sterile filtre fra WM aquatec
Tekniske data:
Maks. strømningshastighet: 11,6 liter/min (åpen strømning)
Avstengningstrykk: justerbart fra 1,9 til 3,8 bar (standardinnstilling 2,4 bar)
Vannkoblinger: 12 mm slangemunnstykke (1x rett, 1x 90 graders vinkel)
Spenning: 12 VDC
Strømforbruk: 3,2 A (maks. 6 A med standardinnstilling)
Nødvendig sikring: 10 A
Materialer som kommer i kontakt med vann: POM, EPDM, TPE, PA+30 prosent GF
Trykkvannpumpe 11,6L/min WM aquatec
- Information
-
- Dokument
-
- Omdömen
- Produktsikkerhetsinformasjon (GPSR)
-
-
Lagersaldo: 0Shipping: Klass 26 2001 - 3000g
